Skip to content

质量缺陷分类标准-

📅发表于 2024-01-17
🔄更新于 2025-10-01
📝字数
👁️阅读量 ♾️

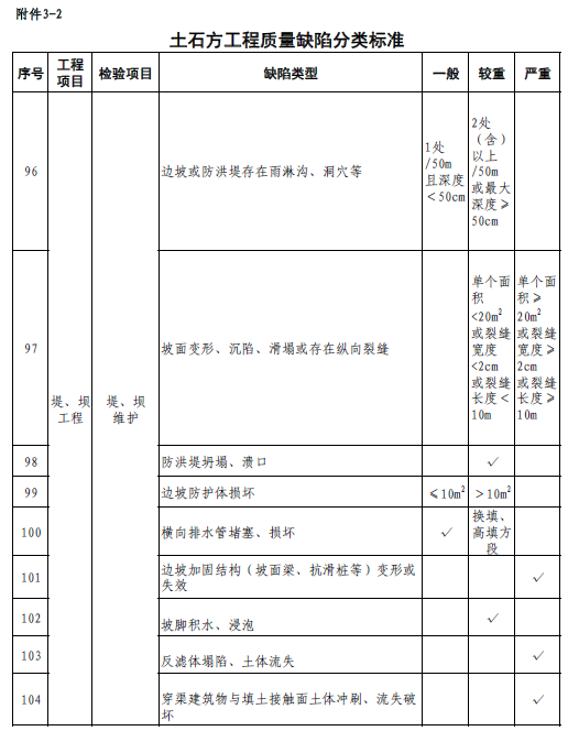
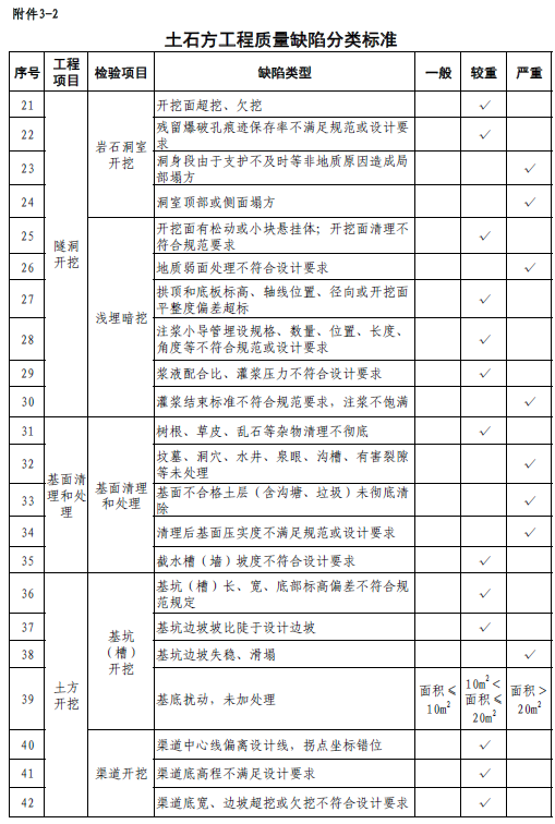
3.2 土石方工程质量缺陷分类标准

image-20240117175338871

image-20240117175411745

image-20240117175521209

image-20240117175546770

image-20240117175614406

image-20240117175643523

image-20240117175719162