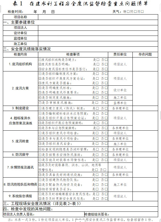
防洪度汛及应急管理
度汛方案编制要求
相关文件对度汛方案的要求
度汛方案与防汛应急预案编制要求
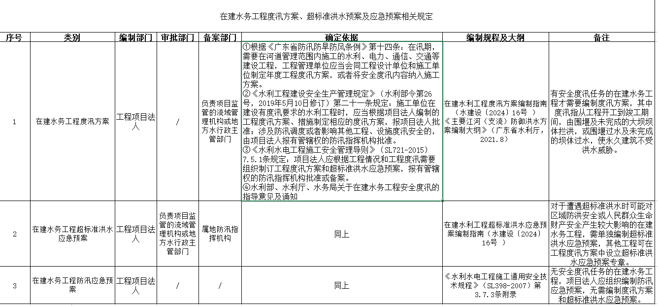
根据水利部《关于加强在建水利工程安全度汛工作的指导意见》文件要求,有度汛任务的在建水务工程施工单位应编制《度汛方案》。其他在建水务工程,根据《水利水电工程施工通用安全技术规程》(SL398-2007)的要求,施工单位应编制《防汛应急预案》。
需编制度汛方案的工程
《水利水电工程施工通用安全技术规程》3.7.1条附录对度汛进行了定义,度汛指从工程开工到竣工期间,由围堰及未完成的大坝坝体拦洪,或围堰过水及未完成的坝体过水,使永久建筑不受洪水威胁。通过上述定义,可确定何为有度汛任务的项目。没有围堰或导流的项目无需编制度汛方案,只需编制防汛应急预案。
需单独编制超标准洪水应急预案的工程
对于有度汛任务的工程,对遇超标准洪水可能对区域防洪安全或人民群众生命财产安全产生较大影响的在建水务工程,施工单位应编制单独的超标准洪水应急预案,其他有度汛任务的工程可在工程度汛方案中设立超标准洪水应急预案专章。(达不到度汛要求的制定并落实应急处置方案;根据超标准洪水的极端情况和引发险情的紧急程度, 针对基坑管涌、围堰坍塌、建筑物冲毁、堤 (坝)溃破、库区 (基坑)淹没等风险,制定抢险和人员转移避险措施)
《防汛应急预案》基本内容(《水利水电工程施工通用安全技术规程》3.7.3条附录)
1、所在流域概况;
2、工程排疏能力简介;
3、历史灾害情况;
4、风险分析;
5、组织机构;
6、机构中各组成单位职责;
7、启动应急预案的流程;
8、安全度汛措施;
9、通信联络;
10、抢险物资准备。水利部印发《关于加强在建水利工程安全度汛工作的指导意见》的通知
附件2:在建水利工程度汛方案编制指南
附件3:在建水利工程超标准洪水应急预案编制指南

《中华人民共和国防洪法》
第二十二条规定:河道、湖泊管理范围内的土地和岸线的利用,应当符合行洪、输水的要求。禁止在河道、湖泊管理范围内建设妨碍行洪的建筑物、构筑物,倾倒垃圾、渣土,从事影响河势稳定、危害河岸堤防安全和其他妨碍河道行洪的活动。(防汛度汛工作落实不到位。如:现场存在堵塞河道、影响行洪的情况。)
《水利部关于进一步做好在建水利工程安全度汛工作的通知》(水建设〔2022〕99 号)
第二条第(一)项规定:在建水利工程项目法人承担安全度汛工作的首要责任,组织设计、施工、监理等参建单位制订度汛方案和超标准洪水应急预案,将安全度汛工作责任分解到各参建单位,督促落实安全度汛各项工作措施。设计单位应明确工程安全度汛标准及工程形象面貌要求;施工单位应保证汛前工程建设进度满足安全度汛要求,制订安全度汛措施,落实抢险队伍,备足防汛物资和设备,加强汛前隐患排查整改和汛期安全巡查;监理单位应审核施工单位度汛措施,开展各项措施落实情况检查;其他参建单位应根据度汛方案制订并落实相关度汛措施。项目法人和各参建单位要将安全度汛工作责任逐级落实到各部门、各岗位,确保责任到人。(防汛度汛工作落实不到位。如建设单位未组织制订度汛方案和超标准洪水应急预案,设计单位未明确工程安全度汛标准及工程形象面貌要求,施工单位未加强汛前隐患排查整改和汛期安全巡查,监理单位未开展各项措施落实情况检查。)
第三条第(一)项规定:在建水利工程项目法人要按照度汛方案和超标准洪水应急预案编制指南的要求,组织编制工程度汛方案和超标准洪水应急预案。度汛方案编制要严格遵循批准的设计文件,紧密结合工程年度实施方案,确保其针对性、实用性和可操作性。工程度汛方案和超标准洪水应急预案应于每年主汛期前 1 个月编制完成,由项目法人组织召开专家咨询会进行论证后,印发各参建单位执行,并报项目主管部门和水行政主管部门备案。(防汛度汛工作落实不到位。如度汛方案与设计文件不符,度汛方案针对性、实用性和可操作性不强,度汛方案未通过专家论证,度汛方案未经过主管部门备案。)
第三条第(二)项规定:工程度汛方案和超标准洪水应急预案是在建水利工程安全度汛工作的指导性文件,参建各方要严格按照方案(预案)的要求,做好培训和演练,确保安全度汛工作措施落实到位。各级水行政主管部门在对在建水利工程安全度汛工作监督检查时,要把方案(预案)的落实情况作为监督检查的重点内容。(防汛度汛工作落实不到位。如未做好度汛方案培训和演练,度汛方案安全度汛工作措施落实不到位。)
第四条第(二)项规定:在建水利工程项目法人和参建各方应建立健全安全度汛组织机构,充实防汛抢险队伍,备足备齐防汛器材、设备等物资。要落实汛期值班值守、领导干部到岗带班、关键岗位 24 小时值班制度,保障现场应急指挥能力。要加强对一线施工人员的应急教育和避险自救培训,确保现场作业人员安全。(防汛度汛工作落实不到位。如未落实汛期值班值守、领导干部到岗带班、关键岗位 24 小时值班制度,一线施工人员应急教育和避险自救培训不到位。)
第四条第(四)项规定:项目法人汛前和汛中应组织参建单位对在建水利工程安全度汛工作进行深入细致的检查,全面检查防汛责任、队伍、预案、物资等落实情况,重点排查工程施工现场及施工营地安全等度汛隐患,对于发现的问题立即组织整改。对于度汛隐患不能按要求完成整改的,要坚决停止汛期施工,严防度汛安全事故发生。(防汛度汛工作落实不到位。如未认真开展度汛隐患排查整改。)
《水利工程建设安全生产管理规定》(水利部令第 26 号,2019 年 5 月 10 日修订)
第二十一条规定:施工单位在建设有度汛要求的水利工程时,应当根据项目法人编制的工程度汛方案、措施制定相应的度汛方案,报项目法人批准;涉及防汛调度或者影响其他工程、设施度汛安全的,由项目法人报有管辖权的防汛指挥机构批准。
《水利水电工程施工安全管理导则》(SL721-2015)
7.5.1 条规定:项目法人应根据工程情况和工程度汛需要 组织制订工程度汛方案和超标准洪水应急预案,报有管辖权的防汛指挥机构批准或备案。
7.5.4 条规定:项目法人应和有关参建单位签订安全度汛目标责任书,明确各参建单位防汛度汛责任。
7.5.9 条规定:施工单位应落实汛期值班制度,开展防洪度汛专项安全检查、及时整改发现的问题。
