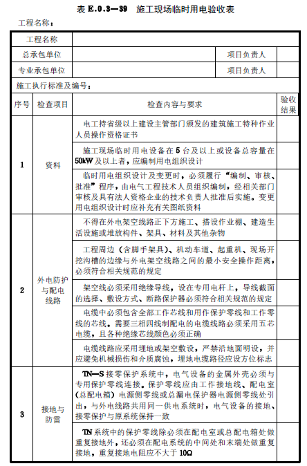
Skip to content

image-20251219072025496

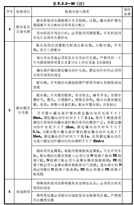
image-20251219072047517

image-20251219072120044